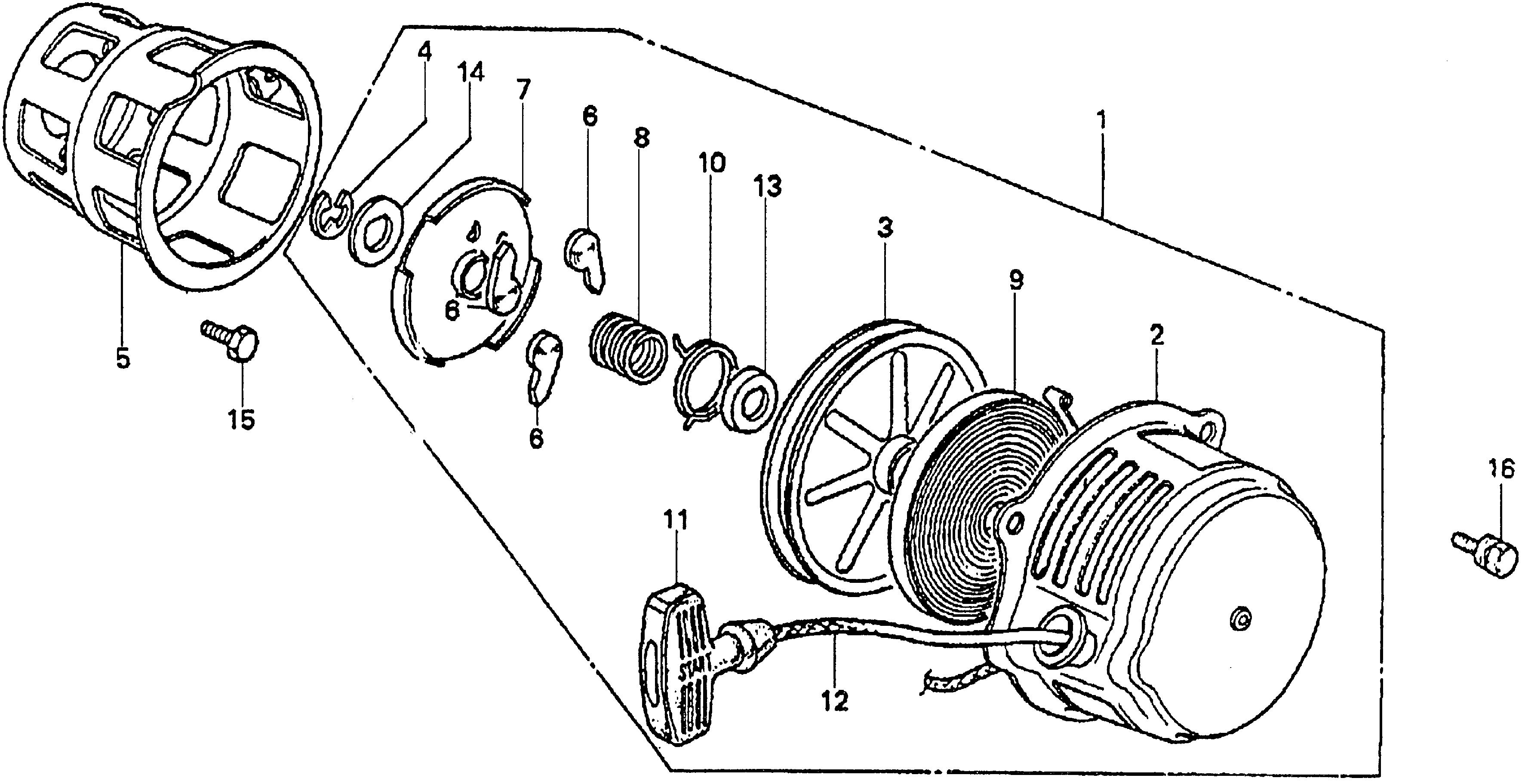
Generators ES ES3500 ES3500 A ES3500-1000032-1028641 RECOIL STARTER - Tozier Brothers, Inc.

Ref No
Part Number
Description
Serial Range
Qty
Price

Ref No
1
Part Number
28400-823-811H
Description
STARTER ASSY., RECOIL *R8* (BRIGHT RED) (NOT AVAILABLE)
Serial Range
1019583 - 9999999

Ref No
2
Part Number
28410-823-812H
Description
CASE, RECOIL STARTER *R8* (BRIGHT RED) (NOT AVAILABLE)
Serial Range
1000001 - 9999999

Ref No
3
Part Number
28420-873-003
Description
PULLEY, RECOIL STARTER (NOT AVAILABLE)
Serial Range
1000001 - 9999999

Ref No
4
Part Number
28423-809-810
Description
E-RING (NOT AVAILABLE)
Serial Range
1000001 - 9999999

Ref No
5
Part Number
28430-823-020
Description
PULLEY, STARTER (NOT AVAILABLE)
Serial Range
1000001 - 9999999

Ref No
6
Part Number
28441-822-810
Description
RATCHET, STARTER
Serial Range
1000001 - 9999999
Qty
Price
$6.20

Ref No
7
Part Number
28445-809-810
Description
PLATE, FRICTION
Serial Range
1000001 - 9999999

Ref No
8
Part Number
28446-809-810
Description
SPRING, FRICTION (NOT AVAILABLE)
Serial Range
1000001 - 9999999

Ref No
9
Part Number
28451-809-810
Description
SPRING, STARTER RETURN (NOT AVAILABLE)
Serial Range
1000001 - 9999999

Ref No
10
Part Number
28455-822-810
Description
SPRING SET (NOT AVAILABLE)
Serial Range
1000001 - 9999999

Ref No
11
Part Number
28461-823-810
Description
KNOB, STARTER
Serial Range
1000001 - 9999999

Ref No
12
Part Number
28471-809-810
Description
ROPE, STARTER (#6X64")
Serial Range
1000001 - 9999999

Ref No
13
Part Number
90481-809-810
Description
WASHER A (NOT AVAILABLE)
Serial Range
1000001 - 9999999

Ref No
14
Part Number
90482-809-810
Description
WASHER B
Serial Range
1000001 - 9999999

Ref No
15
Part Number
92101-06012-0A
Description
BOLT, HEX. (6X12)
Serial Range
1000001 - 9999999
Qty
Price
$1.78

Ref No
16
Part Number
93402-06012-00
Description
BOLT-WASHER (6X12)
Serial Range
1000001 - 9999999
Qty
Price
$2.22

Ref No
16
Part Number
93412-06012-00
Description
BOLT-WASHER (6X12)
Serial Range
1000001 - 9999999